| Improved Ignition Circuit Design |
|
My first ignition
circuit was designed for use in the lab because of its ease of
construction, however the design paid little attention to the size,
weight, or interference caused by the device. This design will address
these
issues by replacing the large neon transformer and spark gap with a
solid state switching converter and a L-C resonant tank circuit. First,
a 30 second introduction to resonance.
Let's start by looking at the impedance of inductors and capacitors at
varying frequencies.
Eq. 1: Impedance of
Inductors and Capacitors at Varying Frequencies
So, for example, a 1 Henry inductor attached to an AC source with a
frequency of 1 rad/sec has an impedance of 1 Ohm. If the AC source has
an RMS value of 1 V, this would naturally lead to a RMS current flowing
through the inductor of 1 A. Similarly, a 1 Farad capacitor attached to
an AC source with a frequency of 1 rad/sec would have an impedance of
-1 Ohm. For the purposes of calculating RMS currents, we can ignore the
negative sign of the impedance, so again if we assume the source to
have an RMS voltage of 1 volt, then 1 A RMS would flow through the
capacitor. Now, let's combine these two elements in series.
Fig. 1: Inductor
and Capacitor Connected in Series
Now, we know the
impedance of the inductor is 1 Ohm, and the impedance
of the capacitor is -1 Ohm, and impedances in series add, so that means
that this circuit has an impedance of 0 Ohms? Yup - if you were to be
able to construct this circuit out of ideal components then the current
through the LC "tank" would be infinite. This will occur at the
frequency where the impedances of the inductor and capacitor cancel
out, a frequecy know as the "resonant frequency" of the LC tank. So,
even though the terminal voltage applied to the LC tank is only 1 V,
the infinite current will create infinite voltages across the two
components. This is a very useful property when we're looking to create
a high voltage ignition circuit, since it only requires three basic
elements to generate huge voltages. The acutal implementation is
somewhat more complex since we have to use real components, but the
basic idea is the same - apply an AC voltage to an LC tank at the
resonant frequency in order to generate large voltages for the purpose
of striking an arc.
The resonant frequency
concept is very important, so the equations that
govern the various parameters are equally important to this design. The
first important equation relates the inductance and capacitance of the
tank to the resonant frequency. The resonant frequecy is given by the
equation:
Eq.2: Resonance
Frequency
So, how do you build such
a device for the purpose of striking an arc?
Let's assume we already have an inductor and capacitor and just work on
the voltage source. The example above assumes a source that produces a
sinusoidal AC voltage, but we can modify this to make the
implementation easier and more efficient. Using transistors we can
easily apply a square wave, and that will work as well. For this, a
nice and simple circuit is the full-bridge topology, shown below in
figure 2.
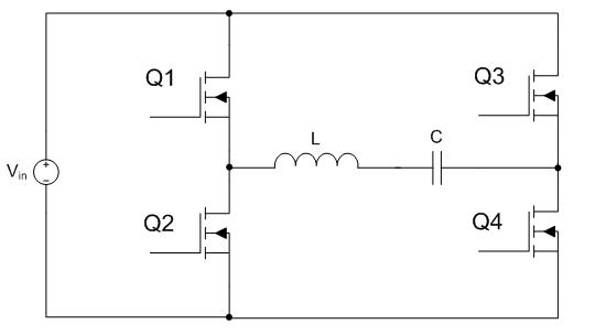
Fig. 2: Full Bridge
In this circuit, if Q1
and
Q4 are turned on, the inductor side is pulled high and the capacitor
side is pulled to ground. Alternately, turning on Q2 and Q3 pulls the
inductor end of the tank to ground and the capacitor end high. This
alternately applies +Vin and -Vin across the LC tank, creating a square
AC voltage across the LC tank. As mentioned earlier, this will create
large currents in the tank and create very high voltages across the
tank components. As with the original ark striking circuit, using a
coupling transformer is a convenient way to transfer the high voltage
to the spark gap of the nozzle. In this case, the coupling transformer
is most easily incorporated by replacing inductor L in figure 2 with
the magnetizing inductance of the coupling transformer, as shown below.
Fig. 3:
Coupling Transformer Replaces Inductor
So,
that's the basic layout of the new ignition circuit. Now, there are
some practical design issues to cover since infinite voltages and
currents are clearly not possible or feasible. The first issue is that
there is a limit to how fast the transistors in this circuit can be
switched, which in turn limits how high the resonant frequency of the
tank can be. Currently, standard switching devices can be purchased
that would allow a reasonant frequency from about 500 kHz to about 1.5
MHz. More expensive RF transistors would allow this range to be
extended into the hundreds of MHz, but for a much higher price.
Ideally, this
arraingement results in unbounded voltages and currents,
but of course non-idealities such as resistances in the components
prevent this. Let's look at what happens using real components. Here's
a simulation of a LC tank circuit with a capacitance of 2.533nF and an
inductance of 10uH with a resonant frequency of 1 MHz, excited by a +/-
1 V square wave.
Fig. 4: Simulated
LC Tank Circuit
From this simulation we
see that the voltages and currents don't
immediately explode to infinity, rather they grow linearly. This is
reasonable, since infinite voltages and currents implies infinite
energy, and we know that any real source has a certain internal
resistance that limits the ammount of energy that can be added. Let's
try this simulation again, but change the capacitor's and inductor's
value. Here's the same simulation, but with 100uH and 253.3pF.
Fig. 5: Simulated
LC Tank Circuit
This is interesting
because the same high voltage is generated in the
same ammount of time as before, but this time with less current flowing
in the circuit. This
is important because the main stress on the bridge switches is the
current, and this trade-off between inductance and capacitance let's us
control how much current is needed to produce a given voltage. These
values can be related by assuming that the total energy in the circuit
over one switching cycle remains relatively constant. That means that
when the capacitor is charged up to it's maximum voltage it is storing
the same amount of energy that the inductor is when maximum current is
flowing through it. The equations for a capacitor's and inductor's
stored energy are given below.
Eq. 3a and 3b:
Energy stored in an inductor and capacitor
Choosing a maximum
capacitor voltage (based on the length of the gap
that the ignitor needs to jump an arc across) and an arbitrary
capacitor voltage sets the maximum energy stored in the LC tank. In
this case, the maximum voltage was selected to be 80kV (high enough to
arc across a 1" gap) and the capacitance was selected to be 120pF. This
gives a maximum circuit energy of 0.384 J. There are now two options in
how the design can proceed. Either the inductor can be chosen, setting
the resonant frequency, or the the resonant frequency can be chosen and
the inductance calculated from that. In this case it is important that
the resonant frequency be set high, so 1 MHz was chosen. Using equation
2, the inductance is calculated to be 211 uH. The inductor will store a
maximum energy of 0.384 J, which by equation 3b requires 60 A peak (43
Arms). The capacitance can be achieved by placing 5 600pF 30kV
capacitors in series (based on what I have laying around.)
Here the current is
chosen to be as high as is reasonably possible
because the ignition not only needs to be able to jump an arc, but also
to put enough current through the arc to force the arc voltage to
collapse below the capacitor bank supply voltage (otherwise there is a
spark, but the caps won't discharge.) Since the arc voltage falls with
increased current, a large current is necessary.
As with the original
design, the inductor was layed out as a solenoid
type, however this time a ferrite core is required to reach the
necessary inductance. This is a little more difficult considering the
relatively large inductance, current, and flux required. Starting with
the equation for inductance of a solenoid type inductor
Eq. 4: Inductance
for a magnetic core solenoid inductor
where u0
is the permeability of free space, ur
is
the relative permeability of the magnetic material, N is the number of
turns, A is the cross sectional area of the magnetic material in square
meters, and l is the mean path length through the magnetic material,
and the equation for the flux density in the core

Eq. 5:
Flux density in the inductor's core
a suitable core can be
chosen. The first limitation is the switching frequency, which is quite
high, and therefore limits the materials that can be used. Ferroxcube's
3F4 material is a good choice to meet these requirements. Anticipating
the need for a lot of magnetic material to support large magnetic
fluxes, two I100/25/25-3F4 cores were placed end to end to give a core
about 8" long and 1" square on it's face. Under worst case conditions
this material has a relative permeability of 900. Using equation 4, 6
turns are required to obtain at least 211 uH. This immediately presents
a problem. Since the relative permeability of this material can
reach 1,800 under certain conditions, flux densities as high as
7.9 T could occur, hugely exceeding this material's maximum flux
density of 0.41 T (0.35 T is a safer number.)
The maximum flux can be
controlled by adding an air gap to the
inductor's core. Recall that in a magnetic circuit with an air gap, the
reluctance of the air gap dominates the overall reluctance of the
circuit. The reluctance of an air gap can be calculated as
Eq. 6: Air gap
reluctance
with the inductance given
as
Eq. 7: Inductance
as a function of turns and reluctance
By varying the parameters
the magnetic flux can be reduced to 0.35 T
with 14 turns around a core with a 3mm gap and a crossectional area of
4" square. This new core requires 8 of the 1"x1"x4" cores initially
chosen. That a lot of magnetic material, but it works.
With the LC tank
completed, we move on to the switching circuit. This
part of the design focuses on choosing switches for the bridge that can
withstand the large currents, and that can switch fast enough.
[ Back to MPD
Thruster ]
[ Back to Main ]
Questions?
Comments? Suggestions? E-Mail me at MyElectricEngine@gmail.com
Copyright 2007-2010 by Matthew Krolak - All Rights
Reserved.
Don't copy my stuff without asking first.
|
|